1級建築施工管理技士 過去問
令和7年(2025年)
問5 (午前 イ 問5)

このページは閲覧用ページです。
履歴を残すには、 「新しく出題する(ここをクリック)」 をご利用ください。

問題

1級建築施工管理技士試験 令和7年(2025年) 問5(午前 イ 問5) (訂正依頼・報告はこちら)

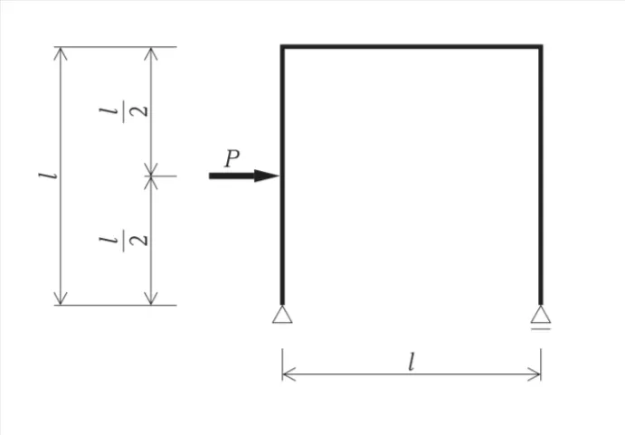
図に示すラーメン架構に集中荷重Pが作用したときの曲げモーメント図として、正しいものはどれか。
ただし、曲げモーメントは材の引張側に描くものとする。
問題文の画像
  • 解答選択肢の画像
  • 解答選択肢の画像
  • 解答選択肢の画像
  • 解答選択肢の画像

次の問題へ

正解!素晴らしいです

残念...

この過去問の解説 (1件)

01

正解は、です。


このラーメン架構は、左柱と梁が一体(剛接)で、右柱は回転を許すピン支持です。
荷重Pを受けると、左柱と梁の接合部に大きな曲げモーメントが生じるのが特徴です。

選択肢1. 解答選択肢の画像

柱脚(下端)と梁端の両方に大きなモーメントが描かれていますが、

右柱はピン支持なのでモーメントは生じません。


したがってこの図は誤りです。

選択肢2. 解答選択肢の画像

左柱の下部に曲げがなく、梁にだけモーメントがあるように描かれていますが、

剛接しているため柱にもモーメントが生じます。

 

したがってこの図は誤りです。

選択肢3. 解答選択肢の画像

正解です。

選択肢4. 解答選択肢の画像

左右両方の柱に大きな曲げモーメントがある図ですが、右柱はピン支持のためモーメントを負担しません。

 

したがってこの図は誤りです。

まとめ

この問題のポイントは、ラーメン架構の端部条件です。


・左柱は剛接→モーメントが大きい
・右柱はピン→モーメントがゼロ


したがって、左柱上端が最大モーメント、右端ゼロとなる形が正しい曲げモーメント図になります。

 

参考になった数77